產品系列
- 32.768KHz
- 石英晶振
- 貼片晶振
- 聲表面濾波器
- 陶瓷晶振
- 陶瓷霧化片
- 陶瓷濾波器
- 微孔霧化片
- CTS晶振
- KDS晶振
- 愛普生晶振
- 西鐵城晶振
- 精工晶體
- 村田晶振
- 京瓷晶振
- DST310S晶振
- 日本大河晶體
- NDK晶振
- 亞陶晶振
- 日本富士晶振
- NAKA晶振
- SMI晶振
- NKG晶振
- NJR晶振
- Q-Tech晶振
- ABRACON晶振
- VECTRON晶振
- JAUCH晶振
- ConnorWinfield晶振
- Rakon晶振
- ECS晶振
- Greenray晶振
- ECLIPTEK晶振
- GOLLEDGE晶振
- STATEK晶振
- Pletronics晶振
- SITIME晶振
- Microcrystal晶振
- RALTRON晶振
- AEK晶振
- AEL晶振
- ILSI晶振
- FOX晶振
- fujicom晶振
- CRYSTEK晶振
- interquip晶振
- Geyer晶振
- quartzcom晶振
- qantek晶振
- EUROQUARTZ晶振
- quarztechnik晶振
- Cardinal晶振
- FRE-TECH晶振
- KVG晶振
- wi2wi晶振
- Transko晶振
- suntsu晶振
- mmdcomp晶振
- MERCURY晶振
- MTRONPTI晶振
- ACT晶振
- MTI晶振
- Lihom晶振
- Rubyquartz晶振
- Oscilent晶振
- SHINSUNG晶振
- ITTI晶振
- PDI晶振
- IQD晶振
- Microchip晶振
- Silicon晶振
- Anderson晶振
- Fortiming晶振
- CORE晶振
- NIPPON晶振
- NIC晶振
- QVS晶振
- Bomar晶振
- Bliley晶振
- GED晶振
- FILTRONETICS晶振
- STD晶振
- Wenzel晶振
- NEL晶振
- EM晶振
- PETERMANN晶振
- FCD-Tech晶振
- HEC晶振
- FMI晶振
- Macrobizes晶振
- AXTAL晶振
- SUNNY晶振
- ARGO晶振
- Renesas瑞薩晶振
- SKYWORKS晶振
- NSK晶振
- 臺灣加高諧振器
- 臺灣鴻星晶體
- TXC晶振
- 臺灣希華晶振
- 臺灣泰藝晶體
- AKER晶振
晶振廠家
進口晶振
歐美晶振
臺產晶振
Tel:0755-27838351
Add:廣東深圳市寶安區67區留仙一路甲岸科技園3棟5樓
Email:konuaer@163.com
QQ:632862232

晶振官方博客
更多>>

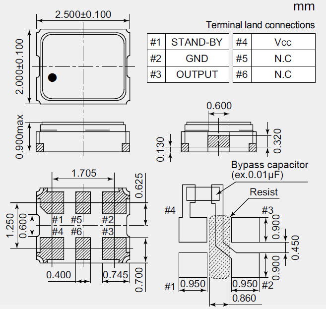
NZ2520SEA石英晶振,NDK晶振代理商,GPS專用晶體,貼片有源石英晶振是指在普通無源晶體上增加了電壓,內部集成了相應IC與電容電阻,需要在凈化萬級車間生產,并且在密封機器設備中焊接加蓋,內部封裝模式是指在真空封裝區域內進行封裝.1.防止外界氣體進入組件體內受到污染和增加應力的產生;2.使組件在真空下電阻減小;3.氣密性高.此技術為研發及生產超小型、超薄型石英晶體元器必須攻克的關鍵技術之一.小型SMD有源晶振,從最初超大體積到現在的7050mm,6035mm,5032mm,3225mm,2520mm體積,有著翻天覆地的改變,體積的變小也試產品帶來了更高的穩定性能,接縫密封石英晶體振蕩器,精度高,覆蓋頻率范圍寬的特點,SMD高速自動安裝和高溫回流焊設計,Optionable待機輸出三態輸出功能,電源電壓范圍:1.8V?5 V,高穩定性,低抖動,低功耗,主要應用領域:無線通訊,高端智能手機,平板筆記本WLAN,藍牙,數碼相機,DSL和其他IT產品的晶振應用,三態功能,PC和LCDM等高端數碼領域,符合RoHS/無鉛.
.gif)
石英晶振參數 | NZ2520SEA |
額定頻率范圍 (MHz) | 2.75 to 54 |
儲存溫度范圍 (°C) | -55 to +125 |
工作溫度范圍(°C) | -40 to +85 |
綜合頻率允許偏差 | Max. ±15×10-6 |
電源電壓 [VCC] (V) | +1.8±0.09, +2.5±0.125, +3.3±0.165 |
消費電流 工作時 max(25℃ : mA) |
[1.8V] 3.5 (2.75≤F<11MHz), 4.0 (11≤F<22MHz), 4.5 (22≤F<30MHz), 5.0 (30≤F<40MHz), 6.0 (40≤F<54MHz) |
[2.5V] 4.0 (2.75≤F<11MHz), 4.5 (11≤F<22MHz), 5.0 (22≤F<30MHz), 5.5 (30≤F<40MHz), 6.5 (40≤F<54MHz) |
|
[3.3V] 4.5 (2.75≤F<11MHz), 5.0 (11≤F<22MHz), 5.5 (22≤F<30MHz), 6.0 (30≤F<40MHz), 8.0 (40≤F<54MHz) |
|
消費電流 斷開時 max(25℃ : µA) | 10 |
VOL Max / VOH Min (V) | 0.2 VCC / 0.8 VCC |
Tr Max. / Tf Max. (ns) | 5 / 5 (ns) at 0.2 ~ 0.8VCC |
波形對稱 Min to Max (%) | 45 to 55 at 1/2VCC |
負載電容 (CL) Max. (pF) | 15 |
発振起動時間 Max. (ms) | 10 |
停振功能 | 可支持(三態) |
訂貨規格號 |
NZ2520SEA-26.000000M-NSA3513A(電源電壓 : 1.8V) NZ2520SEA-26.000000M-NSA3513B(電源電壓 : 2.5V) NZ2520SEA-26.000000M-NSA3513C(電源電壓 : 3.3V) |
.gif)


驅動能力
驅動能力說明振蕩晶體單元所需電功率,其計算公式如下:
驅動能力 (P) = i2?Re
其中i表示經過晶體單元的電流,
Re表示晶體單元的有效電阻,而且 Re=R1(1+Co/CL)2.

振蕩補償
除非在振蕩電路中提供足夠的負極電阻,否則會增加振蕩啟動時間,或不發生振蕩.為避免該情況發生,請在電路設計時提供足夠的負極電阻.


.jpg)
在石英晶體元器件市場,市場價格的持續下滑等使得嚴峻的事業環境還將繼續.在這樣的環境下,本集團為了回歸成長路線,將通過重視收益性的改善,集中經營資源于高信賴·高附加價值的商品的開發,來確實建立產生利益體制的堅固基礎.
經營理念
要認識到作為世界一流廠家的使命和責任,要始終在行業中起帶頭作用.
搶先取得社會需求,為客戶提供高質量的服務.
追求使用更方便、更穩定的發振源,創造更高的附加價值.
不畏失敗,向困難挑戰,努力培養出能自我開發的人才.
通過工作發揚人格.
尊重個人,努力提高員工的生活水平.
以與關系公司、供應商及包括地區社會在內的共同繁榮來回報投資者.
致力于保護地球環境,擔負起責任.



勞工職業安全衛生議題近年成為世界各國及企業關注焦點,如何做到‘降低職業災害發生、確保工作場所安全、實施員工健康管理’一直是希華晶體努力的方向,公司于2008年12月通過OHSAS18001職業安全衛生管理系統驗證,提供勞工符合系統要求的安全衛生工作環境.
NDK晶體科技股份有限公司藉由環境/安衛管理系統的推動執行,以整合內部資源,奠定經營管理的基礎.藉執行環境考量面/安衛危害鑒別作業,環境/安衛管理方案和內部稽核為手段,合理化推動環境/安衛管理,落實環境/安衛系統有效實施.并不斷透過教育訓練灌輸員工環境/安衛觀念及意識,藉由改善公司制程以達到污染預防、工業減廢、安全與衛生、符合法規要求使企業永續發展減少環境/安衛負擔,并滿足客戶需求,獲得客戶的信賴而努力.
.gif)
1.技術支持 2.客服咨詢
全方位技術指導,專業的技術支持讓您感受到 專業的銷售團隊,耐心為您解答任何疑問,讓您的
前所未有的后顧無憂. 消費得到保障.
3.質量保證,誠信為上 4.提升業績,降低成本
我司以“以科技為動力,以質量求生存”為理念. 為您的產品量身訂制,免費取樣,
為您做到低成本,高效率.

全方位技術指導,專業的技術支持讓您感受到 專業的銷售團隊,耐心為您解答任何疑問,讓您的
前所未有的后顧無憂. 消費得到保障.
3.質量保證,誠信為上 4.提升業績,降低成本
我司以“以科技為動力,以質量求生存”為理念. 為您的產品量身訂制,免費取樣,
為您做到低成本,高效率.

深圳市康華爾電子有限公司 |
電 話: +86-755-27838351 |
手 機:13823300879 |
傳 真: +86-755-27883106 |
Q Q: 632862232 |
MSN: konuaer@163.com |
E-mail:konuaer@163.com |
網 址:http://www.spinfm.net |
地 址:深圳市寶安區67區留仙一路甲岸科技園3棟 |