產品系列
- 32.768KHz
- 石英晶振
- 貼片晶振
- 聲表面濾波器
- 陶瓷晶振
- 陶瓷霧化片
- 陶瓷濾波器
- 微孔霧化片
- CTS晶振
- KDS晶振
- 愛普生晶振
- 西鐵城晶振
- 精工晶體
- 村田晶振
- 京瓷晶振
- DST310S晶振
- 日本大河晶體
- NDK晶振
- 亞陶晶振
- 日本富士晶振
- NAKA晶振
- SMI晶振
- NKG晶振
- NJR晶振
- Q-Tech晶振
- ABRACON晶振
- VECTRON晶振
- JAUCH晶振
- ConnorWinfield晶振
- Rakon晶振
- ECS晶振
- Greenray晶振
- ECLIPTEK晶振
- GOLLEDGE晶振
- STATEK晶振
- Pletronics晶振
- SITIME晶振
- Microcrystal晶振
- RALTRON晶振
- AEK晶振
- AEL晶振
- ILSI晶振
- FOX晶振
- fujicom晶振
- CRYSTEK晶振
- interquip晶振
- Geyer晶振
- quartzcom晶振
- qantek晶振
- EUROQUARTZ晶振
- quarztechnik晶振
- Cardinal晶振
- FRE-TECH晶振
- KVG晶振
- wi2wi晶振
- Transko晶振
- suntsu晶振
- mmdcomp晶振
- MERCURY晶振
- MTRONPTI晶振
- ACT晶振
- MTI晶振
- Lihom晶振
- Rubyquartz晶振
- Oscilent晶振
- SHINSUNG晶振
- ITTI晶振
- PDI晶振
- IQD晶振
- Microchip晶振
- Silicon晶振
- Anderson晶振
- Fortiming晶振
- CORE晶振
- NIPPON晶振
- NIC晶振
- QVS晶振
- Bomar晶振
- Bliley晶振
- GED晶振
- FILTRONETICS晶振
- STD晶振
- Wenzel晶振
- NEL晶振
- EM晶振
- PETERMANN晶振
- FCD-Tech晶振
- HEC晶振
- FMI晶振
- Macrobizes晶振
- AXTAL晶振
- SUNNY晶振
- ARGO晶振
- Renesas瑞薩晶振
- SKYWORKS晶振
- NSK晶振
- 臺灣加高諧振器
- 臺灣鴻星晶體
- TXC晶振
- 臺灣希華晶振
- 臺灣泰藝晶體
- AKER晶振
晶振廠家
進口晶振
歐美晶振
臺產晶振
Tel:0755-27838351
Add:廣東深圳市寶安區67區留仙一路甲岸科技園3棟5樓
Email:konuaer@163.com
QQ:632862232
晶振官方博客
更多>>.jpg)
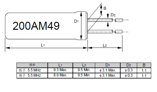
愛普生表晶,CA-301進口晶振,圓柱晶體諧振器,"CA-301 12.0000M-C:PBFREE",圓柱晶振表面音叉型晶體諧振器,產品具有優良的耐熱性,耐環境特性,可發揮晶振優良的電氣特性,符合RoHS規定,滿足無鉛焊接的高溫回流溫度曲線要求,金屬外殼的封裝使得產品在封裝時能發揮比陶瓷諧振器外殼更好的耐沖擊性.

| 項目 | 符號 | 規格說明 | 條件 |
|---|---|---|---|
| 額定頻率范圍 | f_nom | 4.000MHz ~ 29.999MHz | 基頻 *1 |
| 30.000MHz ~ 64.000MHz | 三次諧波 *2 | ||
| 儲存溫度 | T_stg | -40°C ~ +85°C | 裸存 |
| 工作溫度 | T_use | -20°C ~ +70°C | 對于低于等于5.5MHz的頻率,運作溫度范圍位于-10°C ~ +60°C |
| 激勵功率 | DL | 10μW ~ 100μW | |
|
頻率公差 (標準) |
f_tol |
±30 × 10-6 (低于5.5MHz:±50 × 10-6, ±100 × 10-6) |
+25°C |
|
頻率溫度特征 (標準) |
f_tem | 低于 5.5MHz: ±50 × 10-6 | -10°C ~ +60°C |
| 超出 5.5MHz: ±30 × 10-6 | -20°C ~ +70°C | ||
| 負載電容 | CL | 基頻:10pF ~ ∞. | 可指定 |
| 泛音:5pF ~ ∞ | |||
| 串聯電阻(ESR) | R1 | 如下表所示 |
-20°C ~ +70°C, DL=100μW |
| 頻率老化 | f_age | ±5 × 10-6 / year Max. |
+25°C, 第一年 |
.gif)


.jpg)
大部份的石英晶體產品"CA-301 12.0000M-C:PBFREE",是用于電子線路上的參考頻率基準或頻率控制組件, 所以, 頻率與工作環境溫度的特性是一個很重要的參數. 事實上, 良好的頻率與溫度(frequeny versus temperature)特性也是選用石英做為頻率組件的主要因素之一. 經由適當的定義及設計, 石英晶體組件可以很容易的就滿足到以百萬分之一 (parts per million, ppm) 單位等級的頻率誤差范圍. 若以離散電路方式將LCR零件組成高頻振蕩線路, 雖然也可以在小量生產規模達到所需要的參考頻率信號誤差在ppm或sub-ppm等級要求, 可是這種方式無法滿足產業要達到的量產規模. 石英組件的頻率對溫度特性更是離散振蕩線路無法簡易達成的. 在(圖四) 中提供了數種不同的石英晶體切割角度的頻率對溫度特性曲線.



愛普生以“省、小、精技術”為基礎,通過商品、服務、生產及銷售的每個環節提供被顧客所追求的降低環境負荷的價值.
新的視角:實現能夠改變顧客行為和業務模式的新商品、服務、功能和使用方案,降低環境負荷.
"CA-301 12.0000M-C:PBFREE",商品:進一步追求商品的小型輕量、節能、可循環和長壽命化,以滿足顧客需求的商品實現生命周期環境負荷減半.
生產:配合“降低總成本活動”和“品質提高活動”,實現高效、低環境負荷的生產工藝,從而奠定降低商品環境負荷的基礎.
環保社區:開展以商品與服務為核心的環保社區活動,為社會的可持續發展而挑戰.

1.技術支持 2.客服咨詢
全方位技術指導,專業的技術支持讓您感受到 專業的銷售團隊,耐心為您解答任何疑問,讓您的
前所未有的后顧無憂. 消費得到保障.
3.質量保證,誠信為上 4.提升業績,降低成本
我司以“以科技為動力,以質量求生存”為理念. 為您的產品量身訂制,免費取樣,
為您做到低成本,高效率.

全方位技術指導,專業的技術支持讓您感受到 專業的銷售團隊,耐心為您解答任何疑問,讓您的
前所未有的后顧無憂. 消費得到保障.
3.質量保證,誠信為上 4.提升業績,降低成本
我司以“以科技為動力,以質量求生存”為理念. 為您的產品量身訂制,免費取樣,
為您做到低成本,高效率.

| 深圳市康華爾電子有限公司 |
| 電 話: +86-755-27838351 |
| 手 機:13823300879 |
| 傳 真: +86-755-27883106 |
| Q Q: 632862232 |
| MSN: konuaer@163.com |
| E-mail:konuaer@163.com |
| 網 址:http://www.spinfm.net |
| 地 址:深圳市寶安區67區留仙一路甲岸科技園3棟 |






銷售代表
售后服務